Termékkód: NKM5030
IE3 NKM-G 65-250/263 400/690V
SACI IE3 NKM-G centrifugál szivattyú – Magas hatékonyságú közületi szivattyú
A SACI IE3 NKM-G 65-125/130 centrifugál szivattyú egy kiváló minőségű, monoblokk kialakítású szivattyú, amely megfelel a DIN 24255 (jelenlegi DIN EN733) szabványnak. Ez a közületi szivattyú ideális választás számos alkalmazáshoz, beleértve a fűtési és hűtési rendszerek vízkeringetését, nyomásfokozó berendezéseket, öntözési rendszereket, valamint polgári, ipari és mezőgazdasági létesítményeket.
Kompakt és hatékony kialakítás jellemzi a könnyű telepítés és karbantartás érdekében. Az IE3 osztályú motorokkal jelentős energiamegtakarítás érhető el, ami hosszú távon csökkenti a költségeket.
A SACI márka garancia a magas minőségre és a megbízható működésre.
Jellemzők:
- Magas hatékonyságú, zárt, aszinkron motor külső szellőzéssel
- IP55 védettségi szint és F szigetelési osztály a megbízható működésért
- Az IE3 motor jelentős energiamegtakarítást eredményez, csökkentve az üzemeltetési költségeket
- Az öntöttvas és rozsdamentes acél alkatrészek hosszú élettartamot és megbízhatóságot biztosítanak
- A szivattyú megfelel a nemzetközi DIN szabványoknak, biztosítva a kompatibilitást és a minőségi követelmények teljesítését
Üzemi adatok:
- Folyadék hőmérséklet tartománya: -10°C-tól +140°C-ig.
- Maximális környezeti hőmérséklet: +40°C.
- Maximális üzemi nyomás: 16 bar (1600 kPa), DN 200 esetén maximum 10 bar.
- Peremes csatlakozás: PN 16 DIN 2533 szabvány szerint, PN 10 DIN 2532 a DN 200 esetén.
- Telepítés: Vízszintesen vagy függőlegesen, de a motor mindig a szivattyú felett legyen.
Műszaki adatok:
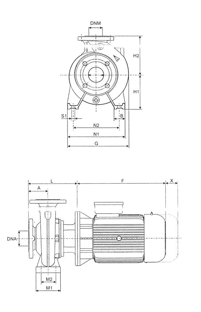
- Szivattyúház: Öntöttvas spirálház, DIN-EN 733 szabvány szerint.
- Járókerék: Öntöttvas, zárt és dinamikusan kiegyensúlyozott a tengelyirányú tolóerő kompenzálásához.
- Szivattyútengely: AISI 304 rozsdamentes acélból készült.
- Tömítés: Szabványosított mechanikus tömítés DIN 24960 szerint, szén/karborundum anyagból, EPDM tömítőgyűrűkkel.
A SACI IE3 NKM-G 65-125/130 centrifugál szivattyú egy kiváló minőségű, monoblokk kialakítású szivattyú, amely megfelel a DIN 24255 (jelenlegi DIN EN733) szabványnak. Ez a közületi szivattyú ideális választás számos alkalmazáshoz, beleértve a fűtési és hűtési rendszerek vízkeringetését, nyomásfokozó berendezéseket, öntözési rendszereket, valamint polgári, ipari és mezőgazdasági létesítményeket.
Kompakt és hatékony kialakítás jellemzi a könnyű telepítés és karbantartás érdekében. Az IE3 osztályú motorokkal jelentős energiamegtakarítás érhető el, ami hosszú távon csökkenti a költségeket.
A SACI márka garancia a magas minőségre és a megbízható működésre.
Jellemzők:
- Magas hatékonyságú, zárt, aszinkron motor külső szellőzéssel
- IP55 védettségi szint és F szigetelési osztály a megbízható működésért
- Az IE3 motor jelentős energiamegtakarítást eredményez, csökkentve az üzemeltetési költségeket
- Az öntöttvas és rozsdamentes acél alkatrészek hosszú élettartamot és megbízhatóságot biztosítanak
- A szivattyú megfelel a nemzetközi DIN szabványoknak, biztosítva a kompatibilitást és a minőségi követelmények teljesítését
Üzemi adatok:
- Folyadék hőmérséklet tartománya: -10°C-tól +140°C-ig.
- Maximális környezeti hőmérséklet: +40°C.
- Maximális üzemi nyomás: 16 bar (1600 kPa), DN 200 esetén maximum 10 bar.
- Peremes csatlakozás: PN 16 DIN 2533 szabvány szerint, PN 10 DIN 2532 a DN 200 esetén.
- Telepítés: Vízszintesen vagy függőlegesen, de a motor mindig a szivattyú felett legyen.
Műszaki adatok:
- Szivattyúház: Öntöttvas spirálház, DIN-EN 733 szabvány szerint.
- Járókerék: Öntöttvas, zárt és dinamikusan kiegyensúlyozott a tengelyirányú tolóerő kompenzálásához.
- Szivattyútengely: AISI 304 rozsdamentes acélból készült.
- Tömítés: Szabványosított mechanikus tömítés DIN 24960 szerint, szén/karborundum anyagból, EPDM tömítőgyűrűkkel.
Termék súlya: 0 kg
Termékcsomagolás: 0.0000 kg



