BADU Top II/14
BADU Top II szivattyú
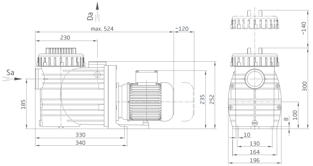
Kiváló teljesítményű önfelszívó, keringető szivattyú, lakossági és közületi medencék számára. Ezt a szivattyút kifejezetten közepes méretű, föld feletti medencékre tervezték, részben süllyesztett medencék és kisebb úszó tavak számára. A nagy szivattyú kapacitásnak köszönhetően automatikus medencetisztító is csatlakoztatható hozzá. Szívó és nyomó oldali csatlakozása 2” / 1 ½”.
Monoblokkos szivattyú, beépített előszűrővel (3l). Polikarbonát átlátszó fedéllel rendelkezik. Sósvizes (elektrolizis) rendszerekhez telepíthető max. 5gr/l só koncetrációig.
Alkalmazási terület
Úszómedence vízkeringetés szűrőrendszeren keresztül. A szivattyú beépíthető max. 2 m-el a vízszint felett, vagy max. 3 m-el a vízszint alá.
Tulajdonságok:
- Max 3m-rel a vízszint felé vagy alá is szerelhető
- Szívó és nyomó oldali csatlakozása 2” / 1 1⁄2”
- Monoblokkos szivattyú beépített előszűrővel (3l)
- Polikarbonát átlátszó fedél
- Sósvizes (elektrolizis) rendszerekhez telepíthető max. 5gr/l só koncetrációig
Műszaki adatok:
- Működési tartomány: 12 m3/h H=10m
- Tápfeszültség: 230 V



