Termékkód: 035418
FHB Norm Ø2000 D225/200
FHB Norm szűrőtartály
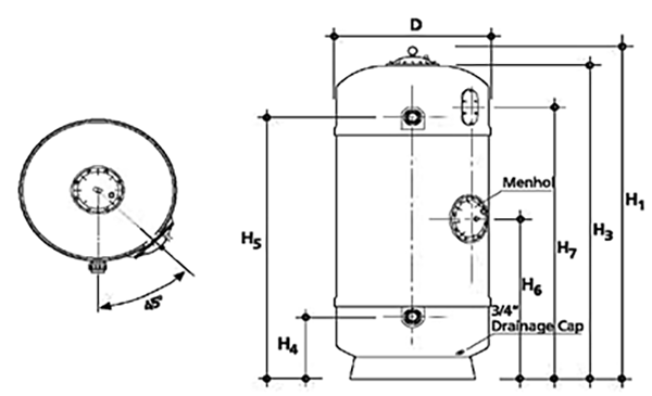
Üvegszál erősítésű MSZ 15236:2013 szabványhoz megfelelő laminált poliészter szűrőtartály közületi medencékhez, figyelőablakkal, vízgyűjtő tölcsérrel. Tartozéka a nyomásmérő óra és légtelenítőszelep. A szűrőágy kollektor karokkal van felszerelve, opcionálisan szűrőlappal. Kérésre rendelhetőek vinilészter bevonattal, ami ózonnak ellenálló kivitel.
Tulajdonságok:
- Teszt nyomása 3,5 kg/cm2
- Üzemi nyomása 2 kg/cm2
- Szűrési sebesség: max. 30 m3/h
- Felső búvónyílás: D125 mm-ig Ø 200 mm, felette Ø 400 mm
- Szűrőágy magasság: 1000 - 1200 mm
- Szabad magasság: 400 mm
- Oldalsó búvónyílás: D125 mm-ig Ø 200 mm, felette Ø 400 mm
- A szűrőtartály OTH engedéllyel rendelkezik
Szűrőtartály
A medence vizének tisztaságát folyamatos vízforgatással és szűréssel tudjuk fenn tartani. Az álló vízben, melyet süt a nap, könnyedén elszaporodhatnak az algák és más szennyeződések, melyek nem csak a látványt rontják, de a fürdőzők egészségére is veszélyesek lehetnek.
A szűrőtartály a vízforgató készülék segítségével az egészen finom szennyeződéseket is kiszűrhetik a vízből, amelyek így fennakadnak a szűrőközegen.
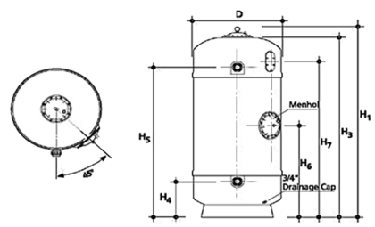
Üvegszál erősítésű MSZ 15236:2013 szabványhoz megfelelő laminált poliészter szűrőtartály közületi medencékhez, figyelőablakkal, vízgyűjtő tölcsérrel. Tartozéka a nyomásmérő óra és légtelenítőszelep. A szűrőágy kollektor karokkal van felszerelve, opcionálisan szűrőlappal. Kérésre rendelhetőek vinilészter bevonattal, ami ózonnak ellenálló kivitel.
Tulajdonságok:
- Teszt nyomása 3,5 kg/cm2
- Üzemi nyomása 2 kg/cm2
- Szűrési sebesség: max. 30 m3/h
- Felső búvónyílás: D125 mm-ig Ø 200 mm, felette Ø 400 mm
- Szűrőágy magasság: 1000 - 1200 mm
- Szabad magasság: 400 mm
- Oldalsó búvónyílás: D125 mm-ig Ø 200 mm, felette Ø 400 mm
- A szűrőtartály OTH engedéllyel rendelkezik
Szűrőtartály
A medence vizének tisztaságát folyamatos vízforgatással és szűréssel tudjuk fenn tartani. Az álló vízben, melyet süt a nap, könnyedén elszaporodhatnak az algák és más szennyeződések, melyek nem csak a látványt rontják, de a fürdőzők egészségére is veszélyesek lehetnek.
A szűrőtartály a vízforgató készülék segítségével az egészen finom szennyeződéseket is kiszűrhetik a vízből, amelyek így fennakadnak a szűrőközegen.
Termék súlya: 0 kg
Termékcsomagolás: 0.0000 kg


