Termékkód: 35414

FHB Norm Ø1250 37m3/h D125/110

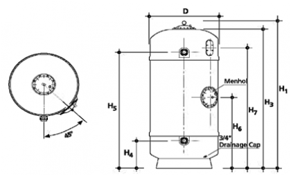
FHB NORM LAMINÁLT POLIÉSZTER SZŰRŐTARTÁLY

A szűrő anyaga üvegszál erősítésű laminált poliészter.
Tartozéka a nyomásmérő óra, légtelenítőszelep, felső és oldalbúvó nyílás (D1250mm-ig Ø200mm, felette 400mm)
Figyelőablak, vízgyűjtő tölcsér.
Szabad magasság 0,4m
Megnövelt csonk méretek az öblítővíz megfelelő elvezetéséhez.
Szűrőágy magasság 1,0 -1,2m, kollektor karokkal szerelve. (opció: szűrőlap)
Teszt nyomás 3,5 kg/cm2, üzemi nyomás 2,0 kg/cm2.
Szűrési sebesség max.:30 m/h.
Tartályok rendelhetőek 4,0 és 6,0 kg/cm2 üzemi nyomáshoz is.
Tartályok kérésre rendelhetőek vinilészter bevonattal (ózonnak ellenálló kivitel)
Méret:
Termék súlya: 216 kg
Termékcsomagolás: 0.0000 kg