Termékkód: 083208
Átlátszó csőszakasz D 063
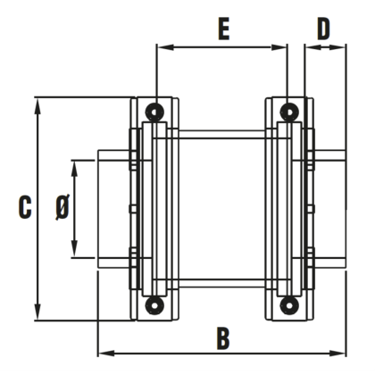
Átlátszó csőszakasz
Kiváló minőségű átlátszó csőszakasz PVC-U nyomócsövekhez. Hosszú élettartam, kiemelkedő korrózióállóság és kopásállóság jellemzi. Felhasználhatósága egyszerű, összeszerelése praktikus és gyors.
Műszaki adatok:
- Átmérője: 63 mm
PVC-U
A PVC-U kiváló vegyszerállóságának, a mérsékelt hőállóságának, a széles átmérő tartománynak és a gazdag idom kínálatnak köszönhetően technológiai (savas vagy lúgos közegek) és vízgépészeti (uszoda technika) csőhálózatok kedvelt megoldása.
Kiváló minőségű átlátszó csőszakasz PVC-U nyomócsövekhez. Hosszú élettartam, kiemelkedő korrózióállóság és kopásállóság jellemzi. Felhasználhatósága egyszerű, összeszerelése praktikus és gyors.
Műszaki adatok:
- Átmérője: 63 mm
PVC-U
A PVC-U kiváló vegyszerállóságának, a mérsékelt hőállóságának, a széles átmérő tartománynak és a gazdag idom kínálatnak köszönhetően technológiai (savas vagy lúgos közegek) és vízgépészeti (uszoda technika) csőhálózatok kedvelt megoldása.
Termék súlya: 0 kg
Termékcsomagolás: 0.0000 kg


